ELETTROTECNICA
Lezione 1
La struttura
della materia
Per studiare l'elettrotecnica e quindi la corrente
elettrica, è necessario comprendere come questa nasce.
La corrente (indicata con la lettera I), non si vede ad occhio nudo pertanto si
deve capire subito che cosa effettivamente avviene nei corpi attraversati dalla
corrente. I materiali (nel nostro caso i metalli) sono composti di elementi
base che si chiamano atomi, gli atomi sono a loro volta composti da altre parti
più complesse quali gli elettroni, i protoni, ed i neutroni. Questi tre
elementi stanno all'interno dell'atomo e più precisamente protoni e neutroni
compongono il nucleo, mentre gli elettroni orbitano attorno al nucleo a
distanze diverse dal centro. Per ogni tipo di materiale, gli atomi hanno un
numero diverso di elettroni, ma essi devono essere neutri, cioè avare anche lo
stesso numero di protoni. Gli elettroni all' interno di un atomo ruotano
attorno al nucleo, ma a distanze diverse dal centro (come i pianeti di un
sistema solare), essi si dispongono a coppie di 2 su un orbita molto vicina, e
mano a mano che il numero aumenta, aumenta il numero di orbite che si
dispongono a distanze sempre maggiori dal nucleo.
Questi elementi posseggono una carica elettrica, e ogni elettrone o protone
costituisce una carcia fondamentale. Gli elettroni hanno carica negativa, i
protoni hanno carica positiva.
Ioni
Lezione 2
Cariche
elettriche
Q1 * Q2
F = e * ---------
d²
F = forza in
newton
e = costante dielettrica del mezzo (per il vuoto vale 8,854 *
10E-12 F/m)
Q1, Q2 = cariche
elettriche in coulomb
d = distanza in
metri
Lezione 3
Corrente
Elettrica
Le cariche elettriche grazie alla forza di attrazione e
repulsione hanno la capacità di muoversi nei corpi, ed in special modo nei
metalli (conduttori), in realtà non sono gli elettroni che si spostano per
tutto il tragitto, essi si urtano l'uno con l'altro scambiandosi l'energia
senza doversi spostare eccessivamente. Per chiarire meglio le idee, si immagini
una fila di bocce allineate (che rappresentano gli elettroni), colpendo la
prima boccia si nota istantaneamente uno spostamento della boccia al fondo
della fila, questo perché le bocce di mezzo hanno solo ceduto l'energia del
colpo senza immagazzinarne. Lo spostamento di cariche che avviene in un
determinato lasso di tempo, viene denominato circolazione di corrente
elettrica (simbolo I), che si misura in Ampere (pronuncia amper,
simbolo A). Possiamo quindi scrivere che:
Q
I = ---
t
I = corrente
elettrica in ampere
Q = quantità di
carica in coulomb
t = tempo in
secondi
Lezione 4
Potenziale
elettrico
Quando in un circuito elettrico c' è circolazione di
corrente, significa che ai suoi capi ci sono dei corpi con carica elettrica
diversa. Difatti solo quando due corpi hanno carica elettrica diversa si viene
a creare una forza di attrazione che da poi luogo alla corrente elettrica. Però
se si pensa che in natura i corpi hanno una carica elettrica nulla (la somma
algebrica delle cariche elementari che costituiscono il corpo è uguale a 0), si
capisce che i corpi elettricamente carichi sono stati oggetto di una modifica
tale da produrre una cessione o un acquisto di elettroni. L'energia potenziale
utile a spostare una carica, è direttamente proporzionale al prodotto della
quantità di carica da spostare per il potenziale elettrico. Allo scopo di
chiarire le idee, si faccia riferimento ad una pompa che deve spostare 1 litro
di acqua al secondo, se l'acqua da spostare deve salire di 1 metro, l'energia
potenziale utile avrà un certo valore, ma se l'acqua deve salire di 3 metri, il
valore di energia potenziale è tre volte più elevato. Possiamo quindi affermare
che l 'energia potenziale (simbolo W), è la quantità di energia utile
per muovere una carica Q al potenziale V.
W = Q * V
W = energia
potenziale in joule
Q = quantità di
carica elettrica in coulomb
V = potenziale
elettrico in volt
Il potenziale elettrico è quindi il rapporto tra l'energia
potenziale accumulata in una carica fratto la carica stessa.
W
V = ---
Q
W = energia
potenziale in joule
Q = quantità di
carica elettrica in coulomb
V = potenziale
elettrico in volt
Due corpi elettricamente carichi, possono avere quindi un
potenziale elettrico diverso (in quanto l' energia accumulata è diversa, o è
diversa la quantità di carica), se indichiamo con V1 il potenziale del corpo
uno, e con V2 il potenziale del corpo due, la differenza tra V1 e V2 (V1 - V2)
è denominata differenza di potenziale (d.d.p), i corpi che non
posseggono questa energia potenziale sono a potenziale zero. Come punto di
riferimento, si è stabilito che il potenziale della terra è zero (valore
convenzionale), e quindi gli altri valori vanno riferiti secondo il valore di
terra.
Due corpi hanno rispetto a terra un potenziale di 3 V, e di
6 V. Quanto vale la differenza di potenziale tra i due corpi ?
In questo caso la differenza di potenziale tra i due corpi è data dalla
differenza tra il valore maggiore e il valore minore in quanto tutti e due sono
positivi.
d.d.p = 6 - 3 = 3 V
Il potenziale elettrico, è stato studiato da Alessandro
Volta, dal quale si è ricavata l'unità di misura Volt (simbolo V).
Sovente il potenziale elettrico viene denominato tensione elettrica.
Per capire meglio il potenziale elettrico si faccia riferimento all'esempio di
due vasche d'acqua poste alla stessa altezza ma con livelli di acqua diversi,
se collegiamo mediante un tubo le due vasche, l'acqua contenuta nella vasca col
livello più alto mediante il tubo andrà a riempire la seconda vasca fino a
quando i due livelli non saranno uguali. Se associamo questo esempio ai
circuiti elettrici, la differenza di livello è come la differenza di
potenziale, mentre la circolazione dell'acqua è come la circolazione di
corrente in quanto sia il flusso d'acqua, sia la corrente elettrica tendono
rispettivamente ad azzerare la differenza di livello e la differenza di
potenziale.

Da quanto si è detto sopra, si comprende che se due corpi
elettricamente carichi con tensione diversa vengono collegati assieme mediante
un conduttore, tendono a scaricarsi per azzerare la differenza di potenziale
tra i due. È evidente che per fare funzionare un circuito elettrico per tempo
indeterminato (ad esempio la lampadina di casa propria), non sono sufficienti
due corpi elettricamente carichi con potenziale elettrico diverso, ma è
necessario che la differenza di potenziale tra i poli del circuito sia
continuamente mantenuta. Per mantenere una d.d.p. costante tra due poli di un
circuito è necessario utilizzare un generatore di tensione, il quale ha
la capacità di mantenere (entro certi limiti di funzionamento) una d.d.p.
sempre costante ai capi. Facendo riferimento alle due vasche di acqua, il
generatore di tensione è come una pompa che ha la capacità di mantenere sempre
lo stesso dislivello (vedi fig. sottostante).
Per completare, possiamo dire che i generatori di tensione sono dispositivi in
grado di mantenere una tensione costante ai capi (poli). Una particolare
attenzione va posta al fatto che in presenza di un generatore di tensione, il
circuito elettrico (come quello idraulico, vedi esempi), deve avere almeno due
conduttori (andata e ritorno) questo perché gli elettroni che vengono a
circolare nel circuito non si devono accumulare, ma devono mediante un secondo
conduttore ritornare al punto di partenza, difatti per ogni elettrone che parte
da un polo del circuito, ne arriva un altro sul polo opposto. Se ne deduce
allora che un circuito elettrico per funzionare deve avere la stessa
circolazione di corrente sui conduttori di andata e di ritorno.

Quando si parla di circuiti elettrici, è necessario
rappresentare in modo schematico le varie componenti dello stesso, la
rappresentazione schematica dei generatori si effettua con i simboli delle
figure sottostanti.
=
Generatore di tensione
=
Accumulatore (batteria)
Nel capitolo precedente si è visto come nasce la corrente, come si muove e
da cosai viene prodotta. Ma a cosa serve la corrente elettrica ? L'utilizzo
della corrente elettrica mediante le apparecchiature denominate "utilizzatori"
o carichi (che trasformano l'energia elettrica in energia termica, meccanica,
chimica, ecc...), serve a fare svariate lavorazioni, vedi ad esempio tutte le
applicazioni casalinghe.
Perché un circuito elettrico possa funzionare, abbiamo bisogno di almeno tre
elementi fondamentali.
I generatori: sono gli elementi che producono l'energia elettrica e si
dividono in generatori di tensione e generatori di corrente. Nei circuiti
elettrici di normale impiego si utilizzano generatori di tensione.
I conduttori: servono a trasportare la corrente elettrica, difatti
collegano i generatori agli utilizzatori i quali non sempre si trovano nello
stesso posto.
Gli utilizzatori (o carico): servono ad utilizzare l'energia elettrica
trasformandola in altro tipo di energia.

Lezione 6
La
resistenza elettrica
Quando all'interno di un conduttore elettrico circola
corrente, gli elettroni vengono ostacolati e deviati dal loro percorso
originario, perché circolando vanno a sbattere contro altri elettroni. Il
fenomeno si chiama resistenza elettrica e varia da conduttore a
conduttore, difatti vi sono conduttori che hanno una maggiore resistenza
elettrica, (gli elettroni sono molto ostacolati nel loro percorso) e conduttori
con minore resistenza elettrica, (gli elettroni riescono a scorrere abbastanza
facilmente). La presenza della resistenza elettrica nei conduttori produce una
riduzione della corrente che riesce a circolare e una perdita di energia. Da
questo si comprende che la resistenza elettrica, aumenta con l'aumentare della
lunghezza dei conduttori, (in quando aumentano gli urti che ostacolano il
passaggio di corrente), ma diminuisce con l'aumentare della sezione (area) del
conduttore e dipende dal tipo di conduttore.
Se indichiamo con la lettera R la resistenza complessiva di un conduttore, (con
la lettera R si indica una resistenza generica), la formula per determinarne il
valore sarà:
l
R = r ---
s
R = resistenza
elettrica in ohm
l = lunghezza
del conduttore in m
s = sezione del
conduttore in mm²
r = resistività del conduttore
La resistenza elettrica è stata studiata da Ohm, e quindi
l'unità di misura è proprio l'ohm (simbolo W).
Qui di sotto sono riportati i valori di resistività di
alcuni materiali conduttori.
|
Valori di resistività dei principali conduttori |
|||
|
|
|
|
|
|
Argento |
0,015 |
0,0038 |
|
|
Rame elettrolitico |
0,016 |
0,0039 |
|
|
Oro |
0,023 |
0,0036 |
|
|
Alluminio |
0,0265 |
0,004 |
|
|
Tungsteno |
0,050 |
0,0042 |
|
|
Bronzo fosforoso |
0,07 |
0,0039 |
|
|
Platino |
0,1 |
0,0036 |
|
|
Ferro dolce |
0,13 |
0,0048 |
|
|
Piombo |
0,20 |
0,0042 |
|
Come si vede dalla tabella, i conduttori migliori, (quelli
che hanno una resistività minore), sono l'oro, il rame e l'argento. È evidente
che la scelta del conduttore andrà fatta in base al costo del metallo ed alle
applicazioni che si devono fare.
1) determinare la resistenza di un conduttore in rame lungo
56 metri e di sezione 1 mm².
l
R = r --- = 0,016 • (56/1) = 0,896 W
s
2) Determinare la resistenza di un conduttore in alluminio
lungo 580 m e avente sezione di 0,8 mm².
l
R = r --- = 0,0265 • (580/0,8) = 19,2 W
s
3) Determinare la resistenza di un conduttore in rame lungo
1220 m, di sezione 2,5 mm².
4) Determinare la sezione di un conduttore in rame avente
una resistenza di 13,6 ohm e lungo 850 m.
Coefficiente
di temperatura alfa
Parlare solo di resistenza elettrica non è sufficiente in
quanto questa varia col variare della temperatura. L'aumento di temperatura in
un corpo produce una maggiore agitazione di elettroni, di conseguenza aumentano
gli urti che producono le perdite di energia (da qui il concetto di
superconduttività, cioè quel fenomeno per il quale la temperatura estremamente
bassa tiene fermi gli elettroni e la corrente circola facilmente senza perdite
di energia). L'aumento di resistenza elettrica con l'aumento di temperatura ha
andamento lineare, ed è calcolabile nel seguente modo:
Rt = R0 (1 + a0 * t)
Rt = Resistenza
elettrica alla nuova temperatura.
R0 = Resistenza
elettrica a 0 °C (vedi tabella).
a0 = coefficiente di temperatura.
t = nuovo valore
di temperatura per cui calcolare la resistenza.
Determinare il vero valore di resistenza di un corpo
conduttore (o altro) è indispensabile, in quanto se questo a causa delle
perdite si scalda, aumenta anche la sua temperatura e quindi le perdite.
1) determinare la resistenza di un conduttore in rame a 25
°C se a 0 °C la resistenza vale 15 ohm.
Rt = R0 (1 + a0 * t) = 15 • (1 + 0,0039 • 25) = 16,49 W
2) Un conduttore di alluminio alla temperatura di 20 °C
presenta una resistenza di 9 ohm. Determinare la resistenza del conduttore
quando si trova ad una temperatura di 85 °C.
t = (t2 - t1) = 85 - 20 = 65 °C
e quindi:
Rt = R0 (1 + a0 * t) = 9 • (1 + 0.004 • 65) = 11.34 W
3) Dell'esercizio precedente determinare il valore di
resistenza per una temperatura di -15 °C.
4) Determinare la resistenza di un conduttore in argento
lungo 870 m, di sezione 1,1 mm², alla temperatura di 80 °C.
Lezione 7
Legge di Ohm
Fino a questo punto si è compreso che in un circuito
elettrico si ha circolazione di corrente provocata da una d.d.p. presente ai
capi del circuito, si é poi visto che la corrente viene ostacolata dalla
resistenza elettrica. È abbastanza evidente che tra queste tre grandezze (V, I,
R) vi è un legame.
Per dimostrare la validità di una qualsiasi relazione che leghi le grandezze
tra di loro, è necessario che questa vada bene in qualsiasi condizione, luogo,
momento, ecc...
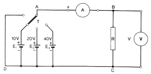
Per arrivare ad una espressione tale da relazionare le tre grandezze, si può
fare uso di un circuito sperimentale come quello di figura.

L'esperimento consiste nell'effettuare quattro prove.
Analizzando i dati ottenuti, si scopre che il rapporto
tensione/corrente dei valori misurati nel circuito di prova danno un numero
costante.
V1
V2 V3
---- = ---- =
---- = costante
I1
I2 I3
Da quanto si è provato, si conclude che in un circuito
elettrico, se si aumenta o diminuisce la tensione a parità di resistenza, la
variazione di corrente è direttamente proporzionale. Possiamo dunque scrivere:
V
R = ---
I
R = resistenza
elettrica in ohm
V = tensione in
volt
I = Corrente
elettrica in ampere
Questa formula è denominata legge di Ohm, e permette di
risalire ad una grandezza elettrica di un circuito conoscendone almeno due,
difatti applicando le regole della matematica, possiamo scrivere:
V = R * I
V
I = ---
R
Anche per la resistenza esiste una rappresentazione
schematica. In figura sono rappresentati i simboli più usati.
simbolo
preferibile
simbolo
generico (più usato per c.a.)
1) Un circuito alimentato da un generatore in corrente
continua con tensione di 50 V, presenta una resistenza di 12 W.
Determinare la corrente che circola nel circuito.
Soluzione: Si applica la legge di ohm, e quindi:
V
I = --- = 50/12
= 4,1667 A
R
2) Un generatore eroga una tensione di 75 V ed una corrente
di 2,5 A. Determinare la resistenza del circuito.
Soluzione:
V
R = --- = 75/2,5
= 30 W
I
3) Determinare la tensione ai capi di un circuito nel quale
circola una corrente di 2 A se la resistenza vale 18 W.
4) In un circuito con resistenza di 30 W
circolano 2 A. Determinare la corrente nel circuito quando la resistenza vale
40 W.
Lezione 8
Resistenza e
conduttanza
Fino ad ora abbiamo visto la resistenza come l'elemento che
limita la corrente, ma dobbiamo chiarire quali sono gli elementi che devono
avere una certa resistenza e quali sono quelli che non devono averne. Quando
abbiamo analizzato gli elementi che costituiscono un circuito elettrico, abbiamo
parlato di: generatori, conduttori, e carico. Perché in un circuito elettrico
tutto funzioni a dovere, i generatori ed i conduttori non devono avere
resistenza al loro intero, solo il carico deve avere resistenza (in realtà nei
circuiti a c.c. il carico è costituito da una resistenza che in base alla forma
e alla costituzione produce diversi lavori). È abbastanza noto che però anche
conduttori e generatori hanno una loro resistenza (molto piccola), che molte
volte è di valore trascurabile, ma che comunque incide sulle caratteristiche
elettriche del circuito.
La resistenza di un materiale (conduttore, ecc...), è facilmente misurabile
mediante varie apparecchiature, esistono campioni di resistenza realizzate
mediante particolari materiali ed attenzioni per la taratura di questi
strumenti.
Quando si studia un circuito non sempre si valuta la resistenza, molte volte è
preferibile conoscere il valore della conduttanza (simbolo G) cioè
valutare che grado di facilità ha la corrente ad attraversare un determinato
corpo. La conduttanza è quindi l'inverso della resistenza, è stata studiata dal
Tedesco Siemens dal quale a preso l'unità di misura (simbolo S).
1
G = ---
R
G = conduttanza
in siemens
R = resistenza
in ohm
Dovendo calcolare la corrente che circola in un circuito
dove si conosce il valore di conduttanza, si può applicare la legge di Ohm
tenendo presente dell'inverso della resistenza e quindi:
I = V * G
I
G = ---
V
Dalla quale si ricavano le formule inverse.
I
G = ---
V
1) Un circuito alimentato da un generatore in corrente
continua con tensione di 50 V, presenta una conduttanza di 0,085 S. Determinare
la corrente che circola nel circuito.
Soluzione: Si applica la legge di Ohm tenendo presente che
abbiamo una conduttanza. e quindi:
I = V * G = 50 •
0,085 = 4,25 A
2) Un generatore eroga una tensione di 75 V ed una corrente
di 2,5 A. Determinare la conduttanza del circuito.
Soluzione:
I
G = --- = 2,5/75
= 0,033 S
V
3) Determinare la tensione ai capi di un circuto nel quale
circola una corrente di 2 A se la conduttanza vale 0,055 S.
4) In un circuito con conduttanza di 0,033 S circolano 2
Ampere. Determinare la corrente nel circuito quando la conduttanza vale 0,025
S.
Lezione 9
Legge di Ohm
su un circuito chiuso

Per circuito chiuso si intende un circuito elettrico dove i
poli (+/-) di un generatore mediante i conduttori e gli utilizzatori sono
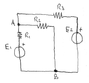
collegati tra di loro. La figura in alto rappresenta un circuito chiuso, si
possono notare un generatore di tensione (E1), due resistenze (R1, R2) ed i
conduttori, la figura schematizzata è chiusa (da qui il nome di circuito
chiuso). In questi circuiti la corrente che circola è dovuta dalla tensione
prodotta dal generatore, ed è limitata dalle resistenze presenti. La tensione
prodotta dal generatore in questo caso prende il nome di Forza elettro
motrice (f.e.m.), mentre la tensione che si trova sulle resistenze (V =
R•I) viene denominata caduta di tensione. La somma delle cadute di
tensione riscontrate in un circuito chiuso è uguale alla f.e.m. del generatore.

Quando in un circuito vi sono più elementi (resistenze) in serie tra loro,
(per serie si intende il collegamento realizzato come in figura), può essere
necessario semplificarlo per facilitare le operazioni di calcolo. Per
semplificazione, si intende l'operazione che permette di sostituire le varie
resistenze in serie tra loro con una resistenza di valore tale da non alterare
il funzionamento del circuito.
Nel caso di resistenze in serie, l'operazione da eseguire per semplificare il
circuito tra due punti (A e B), è sommare tra di loro i valori delle singole
resistenze in modo da ottenerne una di valore maggiore ed equivalente.

La resistenza equivalente ottenuta va a sostituire tra i punti A, B le resistenze in serie. Per che la resistenza sia del tutto equivalente al collegamento precedente si devono soddisfare due condizioni: la corrente che circola al suo interno deve avere lo stesso valore della corrente che circola all'interno delle resistenze in serie (la corrente circola nei vari elementi in serie senza alterarsi, cioè il valore è costante), la tensione tra i punti A e B della resistenza equivalente deve avere lo stesso valore di quella tra i punti A e B della serie (su ogni resistenza in serie la tensione ai suoi capi varia con il variare del valore resistivo secondo la legge di Ohm).
Date tre resistenze in serie tra loro di valore: R1 = 25 W, R2 = 12 W, R3 = 7 W. Determinare il valore della resistenza equivalente.

![]()

La resistenza equivalente si calcola nel seguente modo:
1) Tre resistenze di valore uguale R = 6 W sono collegate in serie. Determinare il valore della resistenza equivalente.
2) In un circuito sono inserite cinque resistenze in serie di valore R1 = 4 W, R2 = 12 W, R3 = 9 W, R4 = 25 W, R5 = 11 W. Determinare il valore della resistenza equivalente.
3) Sapendo che la resistenza equivalente di un circuito vale 63 W, che il circuito è composto di tre resistenze in serie, che due sono uguali tra di loro, e che una vale 23 W, determinare il valore delle due resistenze uguali.

In un circuito possiamo trovare non solo resistenze in serie, ma anche resistenze in parallelo (per parallelo si intende il collegamento che mette in comune tutti i poli di entrata e tutti i poli di uscita di più elementi. Vedi figura in alto). Anche in questo caso è necessario semplificare il circuito allo scopo di facilitare le varie operazioni di calcolo. Il circuito risultante è composto da una sola resistenza di valore equivalente a quelle in parallelo.

Nel caso in cui le resistenze in parallelo siano solo due, esiste una formula di calcolo abbastanza semplice, mentre per il parallelo di più di due resistenze la procedura è lievemente più lunga. Al contrario delle resistenze in serie, il valore equivalente di un gruppo di resistenze in parallelo è sempre più basso di quello più piccolo delle singole resistenze. In questo caso la condizione da soddisfare perché la nuova resistenza sia del tutto compatibile, sono le seguenti: la tensione tra i punti A e B deve avere lo stesso valore delle tensioni ai capi di ciascuna resistenza (difatti quando più elementi sono collegati in parallelo tra di loro la tensione ai capi è costante), la corrente circolante tra i nodi A e B deve essere la somma delle correnti circolanti nelle precedenti resistenze (quando più elementi sono collegati in parallelo la corrente che li attraversa ha valore diverso secondo il tipo e valore dell'elemento).
Semplificazione di due resistenze in parallelo

![]()

R1 · R2Req = --------- R1 + R2
Nel caso in cui il parallelo sia composto da più di due resistenze, la formula diventa:
1Req = ------------------------------- 1 1 1 1 ---- + ---- + ---- + ... + ---- R1 R2 R3 Rn
Esempio numerico. Tre resistenze di valore R1 = 21 W, R2 = 12 W, R3 = 16 W sono collegate in parallelo. Determinare il valore della resistenza equivalente.
Si applica la formula Req = 1/((1/R1)+(1/R2)+(1/R3)).
Sostituendo:
Come si vede il risultato da un valore inferiore a quello che era il valore minore (12 W) delle tre resistenze.
1) Tre resistenze di valore uguale R = 6 W sono collegate in parallelo. Determinare il valore della resistenza equivalente.
2) In un circuito sono inserite cinque resistenze in parallelo di valore R1 = 4 W, R2 = 12 W, R3 = 9 W, R4 = 25 W, R5 = 11 W. Determinare il valore della resistenza equivalente.
3) Sapendo che la resistenza equivalente di un circuito vale 7 W, che il circuito è composto di tre resistenze in parallelo, che due sono uguali tra di loro, e che una vale 23 W, determinare il valore delle due resistenze uguali.
I circuiti elettrici difficilmente si compongono di sole resistenze in serie o sole resistenze in parallelo, molte volte sono formati da insiemi di collegamenti serie e parallelo, vedi fig. sottostante.

Per semplificare un circuito simile, non esiste una regola fissa, cioè non si può dire di semplificare sempre prima il parallelo e poi la serie o vice versa, ma la semplificazione và analizzata al momento. Il circuito di figura rappresenta un parallelo di due serie tra due resistenze, se volessimo associare dei livelli numerici a questo circuito diremo che le due serie sono di livello 1, mentre il parallelo è di livello 2, solo a questo punto possiamo stabilire una regola, ed andremo sempre a semplificare dal livello inferiore verso quello superiore, nel nostro caso prima le due serie e poi il parallelo. Crearsi dei livelli di semplificazione (anche solo mentalmente), aiuta notevolmente a capire il circuito in questione. Ad ogni passaggio è bene ridisegnare un nuovo circuito che riassuma i passaggi fondamentali.
Prima semplificazione (le due serie sono state ridotte alle rispettive Req1, ed Req2)

Seconda ed ultima semplificazione (le due Req1 ed Req2 sono state ridotte a Req)

Per dimostrare quanto detto, provate ad analizzare il circuito sottostante.

In questo circuito a differenza del primo, la serie è tra due paralleli, quindi il livello 1 và assegnato ai due paralleli, ed il livello 2 alla serie. La semplificazione sarà dunque rappresentata nel seguente modo.
Si semplificano i due paralleli ottenendo Req1 ed Req2.

Ed infine si semplifica la serie ottenendo la Req.

1) Calcolare la resistenza equivalente dei due circuiti sottostanti.


I collegamenti serie e parallelo si possono effettuare anche tra generatori di f.e.m., ma per questi elementi (attivi) il risultato è diverso per ogni diversa configurazione.
Quando due generatori sono in serie tra loro, bisogna conoscere (oltre alla tensione caratteristica di ciascun generatore), la polarità di ciascun generatore nei confronti degli altri.

Fig. 13.1
Nella figura 13.1 è riportato lo schema di un collegamento serie tra due generatori, questo collegamento ha la caratteristica di avere collegati tra loro il polo (+) del generatore E1 ed il polo (-) del generatore E2. Il risultato di questo collegamento è che la tensione prodotta dai due generatori tra i punti AB è data dalla somma delle tensioni E1 + E2.

Fig. 13.2
In figura 13.2 sono presenti gli stessi generatori, ma il generatore E1 è stato invertito. La tensione tra i punti AB è data dalla somma algebrica delle due tensioni E1 ed E2, considerando positive le tensioni con un certo segno da un lato, e negative le tensioni con segno opposto sullo stesso lato (E1 a destra è di segno -, mentre E2 a destra è di segno +), la tensione totale sarà uguale a (E1 - E2). Questo tipo di collegamento viene anche denominato antiserie.

Fig. 13.3
La figura 13.3 mostra due generatori collegati in parallelo, questo
collegamento è realizzabile solo se le f.e.m. dei due sono identiche,
altrimenti è necessario aggiungere in serie ai generatori delle resistenze di
valore opportuno per evitare che tra i due circoli una corrente troppo elevata.
Un collegamento di questo tipo lo si adotta raramente, e serve per aumentare la
corrente totale in uscita dal circuito, in quanto la tensione tra i punti AB è
uguale alla tensione dei generatori.
Un collegamento da non effettuare mai è quello di figura 13.4, solo
apparentemente il collegamento può sembrare di tipo parallelo, in verità i
generatori sono collegati in corto circuito.

Fig. 13.4

Non sempre i circuiti elettrici sono semplificati come quelli visti fino ad ora, anzi il più delle volte la realtà presenta circuiti molto complessi. I circuiti di forma più o meno complessa prendono il nome di reti elettriche. Per analizzare una rete elettrica, è necessario assumere dei termini che permettano l'identificazione delle varie parti che compongono la stessa, come primo elemento analizziamo le diramazioni o nodi. Quando ad un conduttore se ne collega un secondo in parallelo, si forma una diramazione (o nodo, vedi fig. sottostante).

Ai nodi presenti in una rete elettrica, si associa una lettera dell'alfabeto
per poterli poi contraddistinguere. Se si analizza una rete elettrica (vedi
esempio) si nota che tra i nodi A e B sono collegate tre parti diverse del
circuito, queste parti sono denominate rami, e i vari rami costituiscono
delle maglie, cioè delle parti della rete che formano un circuito
chiuso. In una rete elettrica si trovano diverse maglie, ed i vari rami possono
concorrere a formare più di una maglia.
In conclusione analizzando il circuito di esempio, possiamo notare: due nodi (A
e B), tre rami che fanno capo ai nodi A e B, e tre maglie visibili nella figura
sottostante.



Lezione 15
Equazione ai
nodi (1 legge di Kirchhoff)
Quando si studia una rete elettrica è fondamentale avere a
disposizione alcune leggi che permettano di stabilire con assoluta certezza il
valore delle varie grandezze elettrotecniche presenti. Nella maggior parte dei
casi si ha a che fare con reti elettriche composte da generatori di tensione e
da resistenze, pertanto le grandezze certamente note sono le f.e.m. dei
generatori, e il valore delle resistenze. La grandezza mancante è la corrente
che circola nelle varie maglie della rete. È bene precisare che la corrente
dipende in modo complessivo dai vari collegamenti, e solo tenendo conto di
tutti i collegamenti si può arrivare a calcolare la corrente.

Fig. 15.1
Si prenda come esempio la figura 15.1, al nodo A sono
collegati tre rami nei quali circolano le correnti I1, I2, I3. I sensi di
percorrenza delle correnti sono stati indicati col criterio del senso
convenzionale (la corrente esce dal polo + del generatore e torna al polo -). È
evidente che solo per le correnti I1 e I3 si può indicare a priori il verso di
percorrenza, mentre per la corrente I2 il senso và determinato con opportuni
calcoli. Si noti che le correnti che confluiscono ad un nodo devono in qualche
modo (mediante altre correnti) uscire dal nodo stesso, nell'ipotesi che le
correnti vadano tutte verso un nodo senza uscire, si avrebbe un accumulo di
carica sul nodo stesso ed uno svuotamento da altre parti, questo fenomeno, non
corrisponde con quanto si è precedentemente detto in proposito alla
circolazione di corrente, possiamo allora sostenere che su di un nodo la
somma delle correnti entranti meno la somma delle correnti uscenti è uguale a
zero (1 legge di Kirchhoff). Se per convenzione assegniamo il segno + alle
correnti entranti in un nodo, ed il segno - alle correnti uscenti dallo stesso
nodo, possiamo dire che la somma algebrica delle correnti entranti ed
uscenti da un nodo è uguale a zero.
Tornando alla figura 15.1 possiamo certamente scrivere che:
Una equazione simile alla precedente potrebbe essere
scritta anche per il nodo B della figura, però siccome a questo nodo sono
collegati gli stessi rami che sono collegati al nodo A, l'equazione sarebbe
identica a quella precedente con eccezione dei segni che sono invertiti. Anche
se si aumenta il numero di nodi in una rete è sufficiente scrivere tante
equazioni quanti sono i nodi meno 1 (n - 1), questo perché nell'ultimo nodo
circolano correnti già considerate in altri nodi.
Ritornando al problema iniziale, essendo noto che la corrente ai nodi vale 0
Ampere, determinare il segno ed il valore di una corrente diventa estremamente
facile, basterà applicare la legge di Kirchhoff, e quindi:
Il valore di I2 dipenderà da I1 e da I3, mentre il segno è
negativo, quindi una corrente uscente dal nodo come indicato in figura.
Lezione 16
Equazione di
maglia (2 legge di Kirchhoff)

Fig. 16.1
Un altra equazione molto importante in elettrotecnica è la
seconda legge di Kirchhoff che dice: in una maglia la somma algebrica delle
d.d.p. è sempre uguale a zero. Per poter applicare questa legge, bisogna
chiarire quali sono le d.d.p. da considerare positive e quali negative, allo
scopo, dopo aver scelto la maglia, si stabilisce a priori un senso di
osservazione (normalmente destrogiro, vedi Fig. 16.1 linea blu), dopodiché si
considerano positive le f.e.m. che hanno segno positivo concorde con la
freccia, positive sono anche le cadute di tensione sulle resistenze che hanno
corrente discorde con la freccia, e si considerano negative le restanti f.e.m.
e cadute di tensione. Se applichiamo questa regola alla maglia di esempio in
fig. 16.1, possiamo scrivere che:
In generale, si scrive:
Lezione 17
Risoluzione
di una rete applicando il metodo Kirchhoff
Data una rete elettrica, avente n nodi, l
lati, e m maglie, per la risoluzione (cioè per determinare il valore e
il verso delle correnti), si può applicare il metodo di Kirchhoff. Dovendo
calcolare tutte le correnti del circuito, si devono scrivere tante equazioni
quanti sono i lati (o rami) del circuito. Le equazioni da scrivere sono da
scegliere tra le due leggi di kirchhoff, quindi si inizia scrivendo n-1
equazioni ai nodi, e si scrivono poi le m ( m = l - (n
- 1)) equazioni di maglia. Per quanto riguarda la scelta delle maglie, è
importante che esse siano indipendenti tra loro, cioè maglie le cui equazioni
non sono la somma di due o più equazioni di maglie della stessa rete.

Fig. 17.1
Nella figura 17.1 è rappresentata una rete elettrica, le
maglie indipendenti sono: (ACBA, ABDA, BCDB).
Questo metodo è comunque molto complesso in quanto il
numero di equazioni è molto elevato, e se la rete è molto ampia, le equazioni
sono troppe. Per la risoluzione si applicano quindi metodi più semplici che
vengono utilizzati anche per reti elementari.
Lezione 18
Estensione
della 1 legge di kirchhoff
Da quanto si è detto fino ad ora, la prima legge di
Kirchhoff risulta essere valida a qualsiasi nodo di una rete elettrica. In
verità essa può essere scritta in modo più generico, difatti se si prende un
area chiusa di una rete elettrica, si nota che la somma algebrica delle
correnti entranti ed uscenti dai rami tagliati dall'area stessa è sempre uguale
a zero.
|
|
|
|
Fig. 18.1.a |
Fig. 18.1.b |
In figura 18.1.a i rami tagliati dall'area di selezione
sono: DA, DE, CE, ed il CB, e le relative correnti sono: I1, I8, I7, e la I3.
Anche in questo caso verrà assegnato il segno positivo alle correnti entranti,
e segno negativo a quelle uscenti, potremo così scrivere che:
I1 + I8 - I7 +
I3 = 0 A
Se applichiamo ora la legge al circuito di figura 18.1.b,
notiamo che l'area di selezione taglia un solo ramo (il BC), e quindi la
corrente nel suddetto ramo è uguale a 0 A.
1 ) Determinare verso e valore delle correnti circolanti
nella rete di figura sottostante.

|
Tabella valori |
|
|
E1 = 40 V |
R1 = 30 W |
|
E2 = 25 V |
R2 = 20 W |
|
E3 = 10 V |
R3 = 15 W |
2 ) Determinare verso e valore delle correnti circolanti
nella rete di figura sottostante.

|
Tabella valori |
|
|
E1 = 60 V |
R1 = 60 W |
|
E2 = 35 V |
R2 = 35 W |
|
E3 = 20 V |
R3 = 20 W |
Analisi parziale delle reti e relativi teoremi
Lezione 19
Introduzione
Non è necessario risolvere sempre in modo completo una rete
elettrica per determinarne i suoi parametri, molte volte serve conoscere solo
il comportamento di un ramo o di alcuni rami.

Fig. 19.1
Si consideri la rete di fig. 19.1, se ad esempio si vuole
conoscere il valore della sola I2, si potrebbe benissimo usare il metodo Kirchhoff,
il quale però si compone di una equazione per ogni ramo della rete. Molte volte
le reti sono complesse e il numero di equazioni sarebbe tale da rendere i
calcoli troppo lunghi per determinare il valore di una sola corrente. In tal
caso si può applicare il principio della sostituzione, difatti è possibile
sostituire una parte di circuito tra due punti (A e B) con uno avente un unico
generatore ed un unica resistenza di valore tali da non variare il
funzionamento del circuito stesso.
Lezione 20
Generatore
equivalente di Thevenin
Ogni rete normale si comporta rispetto a due suoi morsetti
A e B come un generatore normale di tensione (generatore equivalente di
thevenin) caratterizzato da una f.e.m. Veq pari alla tensione VAB0 misurabile a
vuoto (cioè in assenza di rami collegati ai morsetti A e B) e da una resistenza
equivalente Req in serie pari al valore complessivo offerto dalla rete tra i
due morsetti A e B annullando gli effetti dei generatori in essa contenuti ( i generatori di tensione si sostituiscono con dei
cortocircuiti, e con un circuito aperto i generatori di corrente).
Come esempio si prenda in considerazione il circuito di
figura 20.1

Fig. 20.1
Per rendere chiaro il teorema di Thevenin si supponga di
dover calcolare la corrente circolante in R3, per prima cosa và calcolata la
tensione VAB0, e quindi si disegna il circuito interessato.

Fig. 20.2
Nella figura 20.2 è stato tolto il ramo tra i nodi A e B
per poter calcolare la tensione a vuoto tra i due nodi. Allo scopo si può
applicare il secondo principio di Kirchhoff.
VAB0 = R2I + E2
= E1 - R1I
Per facilitare l'esempio associamo i seguenti valori ai
componenti: E1 = 30V, E2 = 20V, R1 = 10 W, R2 = 25 W, R3 =
16 W.
I = (E1 -
E2)/(R1 + R2) = 10/35 = 0,286 A
VAB0 = R2I + E2
= 0,286*25 + 20 = 27.15 V
Il valore VAB0 ottenuto è il valore di tensione che deve
avere il generatore equivalente di Thevenin, ora si deve ancora calcolare il
valore della Req da inserire in serie a detto generatore. Allo scopo si disegna
il circuito equivalente togliendo i generatori ed inserendo il corto circuito o
il circuito aperto in funzione del tipo di generatore.

Fig. 20.3
Con il nuovo circuito di figura 20.3 si calcola la
resistenza equivalente, che in questo caso è data dal parallelo di R1 ed R2.
Req =
(R1*R2)/(R1+R2) = 7,14 W
Ora che conosciamo sia il valore equivalente della f.e.m.
per il generatore di Thevenin e la resistenza da inserire in serie possiamo
disegnare il nuovo schema.

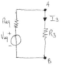
Fig. 20.4
Come si vede il nuovo circuito è composto dal generatore
Veq di Thevenin, la resistenza Req in serie e dal ramo di R3 precedentemente
tolto per calcolare i valori equivalenti. Ora possiamo procedere a calcolare
sia la I3 (corrente in R3) sia la VAB (tensione ai capi di R3).
I3 = Veq / (Req
+ R3) = 27.15 / 23.14 = 1.17 A
VAB = R3 * I3 =
16 * 1.17 = 18.8 V
I passaggi per determinare la I3 e la VAB non sono stati
molti, comunque in quantità inferiore di quelli necessari con il metodo
Kirchhoff. Come ulteriore verifica si può applicare il metodo Kirchhoff e
verificare che il risultato non cambi.
Lezione 21
Generatore
equivalente di Norton
Ogni rete normale si comporta rispetto a due suoi morsetti
A e B, come un generatore normale di corrente (Generatore equivalente di
Norton) caratterizzato da una corrente impressa Ieq pari alla corrente di
cortocircuito misurabile tra i morsetti A e B (cioè con i morsetti collegati in
cortocircuito) e da una conduttanza equivalente in parallelo Geq pari alla
conduttanza complessiva offerta dalla rete quando tutte le grandezze (V ed I)
impresse dai generatori siano state annullate.

Fig. 21.1
Come esempio prendiamo il circuito di figura 21.1, esso è
composto da due generatori di corrente I1 ed I2 e di tre resistenze R1, R2 ed
R3. Se ad esempio dobbiamo calcolare la corrente che circola in R3 possiamo
applicare il teorema di Norton procedendo nel seguente modo.

Fig. 21.2
Per prima cosa si sostituisce ad R3 un cortocircuito,
dopodiché si passa a calcolare la corrente che vi circola. Si suppongano i
seguenti valori (I1 = 3 A, I2 = 1 A, R1 = 10 W, R2 = 5 W, R3 =
20 W), per determinare la corrente nel cortocircuito è
sufficiente applicare la prima legge di Kirchhoff.
Ic = I1 + I2 = 3
+ 1 = 4 A
La corrente Ic ottenuta è la stessa che deve avere il
generatore Geq di Norton. Come operazione successiva si eliminano dal circuito
le grandezze attive (V ed I) sostituendole con il relativo circuito
equivalente.

Fig. 21.3
In figura 21.3 è riportato il circuito equivalente senza
generatori, come si vede le due resistenze R1 ed R2 risultano scollegate dal
circuito quindi in parallelo al generatore di Norton in questo caso non vi è
alcuna conduttanza. Il circuito finale per il calcolo della I in R3 (I3) è
riportato in figura 21.4.

Fig. 21.4
Come si vede dalla figura il circuito risulta composto da
un solo generatore Ieq e dalla resistenza R3, pertanto la corrente in R3 ha lo
stesso valore di Ieq = 4 A, mentre resta da determinare la VAB.
VAB = R3 * Ieq =
20 * 4 = 80 V
1 ) Determinare il valore della corrente in R3 e la
tensione VAB nel circuito di figura.

|
Tabella valori |
|
|
E1 = 40 V |
R1 = 30 W |
|
E2 = 25 V |
R2 = 20 W |
|
|
R3 = 15 W |
2 ) Determinare il valore della corrente nel ramo composto
da R2 ed E2 nel circuito di figura.

|
Tabella valori |
|
|
I1 = 4 A |
R1 = 18 W |
|
E2 = 30 V |
R2 = 32 W |
|
|
R3 = 15 W |
3 ) Determinare il valore della corrente in R4 nel circuito
di figura.

|
Tabella valori |
|
|
E1 = 16 V |
R1 = 28 W |
|
E2 = 20 V |
R2 = 12 W |
|
|
R3 = 35 W |
|
|
R4 = 17 W |
Lezione 22
Teorema di
Millman
Si è già visto come sia possibile risolvere una rete
elettrica in diversi modi più o meno complessi. Molte volte serve solo
determinare le caratteristiche di uno o di alcuni rami della rete senza dover
calcolare le grandezze in tutta la rete. Se la rete o parte di essa è ridotta o
riducibile a soli due nodi A e B, è possibile determinare la tensione ai capi
dei nodi in modo alquanto semplice, difatti il teorema di Millman ci permette
di calcolare la tensione tra due nodi quando il circuito è semplificato nella
forma rappresentata in figura 22.1.

Fig. 22.1
Benché in fig. 22.1 il numero di nodi sia superiore a due,
essi sono collegati in parallelo e la tensione ai capi è identica alla VAB,
difatti se più nodi sono collegati tra loro mediante un conduttore, essi
assumono lo stesso nome in quanto esiste sempre uno schema equivalente avente
un unico nodo con quel nome.
Per determinare la tensione presente ai nodi A e B, è sufficiente sommare tra
loro tutte le correnti dei rami attivi e dividere per la somma di tutte le
conduttanze dopo aver tolto tutti gli elementi attivi presenti sui rami.
I1 + I2 + I3 + ... + In
VAB =
------------------------- [V]
G1 + G2 + G3 + ... + Gn
La formula scritta in questo modo può trarre in inganno in
quanto non si conosce il valore delle varie correnti che circolano nei rami, ma
in verità la corrente da utilizzare è data dal rapporto E/R di ogni ramo in cui
è presente un generatore. Volendo quindi scrivere la formula secondo lo schema
di figura 22.1 dobbiamo scrivere:
E1 E2
---- + ----
R1 R3
VAB =
--------------------------- [V]
1
1 1 1
---- + ---- + ---- + ----
R1
R2 R3 R4
Questo metodo in apparenza può sembrare limitato in quanto
si devono avere reti della forma rappresentata in figura 22.1, ma se parti
della rete vengono prima trasformate secondo il teorema di Thevenin, si arriva
ad una rete semplificata come quella dell' esempio.
Esercizi
svolti
Facendo riferimento alla rete di figura 22.1, e associando
i seguenti valori: E1 = 35 V, E2 = 40 V, R1 = 20 W, R2 = 15 W, R3 =
30 W, R4 = 25 W, determinare il valore della
tensione VAB.
Visto che lo schema è già in forma semplificata, si applica
subito la formula di Millman.
E1 E2
---- + ----
R1 R3
VAB =
--------------------------- =
1
1 1 1
---- + ---- + ---- + ----
R1
R2 R3 R4
35 40
---- + ----
20 30
= --------------------------- =
1
+ 1 +
1 + 1
----
---- ---- ----
20
15 30 25
1.75 + 1.333
=
------------------------------- =
0.05 + 0.0667 + 0.0334 + 0.04
3.084
= -------- = 16.223 V
0.1901
Esercizi
1 ) Semplificare lo schema sottostante e determinare la
tensione VAB.

|
Tabella valori |
|
|
E1 = 50 V |
R1 = 80 W |
|
E2 = 60 V |
R2 = 90 W |
|
|
R3 = 30 W |
|
R4 = 20 W |
R5 = 70 W |
|
R6 = 30 W |
R7 = 40 W |
|
R8 = 28 W |
|
2 ) Determinare la tensione VAB nel circuito di figura.

|
Tabella valori |
|
|
E1 = 40 V |
R1 = 20 W |
|
E2 = 55 V |
R2 = 30 W |
|
|
R3 = 70 W |
|
R4 = 45 W |
R5 = 40 W |
|
R6 = 28 W |
R7 = 36 W |
Lezione 23
Prime
nozioni sulle misure di grandezze elettriche
Sovente in un circuito elettrico una o più grandezze ha
valore sconosciuto, e quindi ogni calcolo diventa impossibile. Nella maggior
parte dei casi una parte della rete da analizzare si presenta come una scatola
chiusa, (termine generico per indicare un apparecchiatura), e quindi se non
esiste una rappresentazione schematica dei collegamenti e dei componenti che
sono presenti al suo interno, è praticamente impossibile eseguire calcoli che
ci portino alla totale conoscenza della rete elettrica formata da tali oggetti.
Per arrivare a dei dati certi, è necessario praticare delle misure elettriche
che ci permettono di rilevare mediante opportuni strumenti il valore delle
grandezze elettriche interessate dalla scatola chiusa in esame. Gli strumenti
Idonei a tali misure sono essenzialmente due: il Voltmetro e l' Amperometro. Si
comprende dal nome degli strumenti, che essi servono a misurare la tensione per
il Voltmetro, e la corrente per l' Amperometro.

Fig. 23.1
Nella figura 23.1 sono riportati i simboli schematici del
Voltmetro (V) e dell' Amperometro (A) con il relativo modo di inserzione
(collegamento). Come si vede il Voltmetro è collegato in parallelo al circuito
per la misura di tensione, mentre l' Amperometro è collegato in serie al
circuito per la misura di corrente. Mediante le due misure (tensione e
corrente) possiamo valutare l' influenza della rete (U) in una rete più
complessa sostituendo U con una resistenza di valore equivalente (Req = V/I).
Questa tecnica è utile se il comportamento della rete è di tipo lineare, (cioè
ad ogni variazione di una grandezza (V, I, o R) corrisponde una variazione
proporzionale delle grandezze variabili (V e I), ma se invece il comportamento
della rete non è lineare, la misura è del tutto insufficiente, (a meno che non
si eseguano n misure per tutte le condizioni da valutare).
|
|
|
|
Fig. 23.2.a |
Fig. 23.2.b |
In figura 23.2 sono riportati due grafici tipici di un
andamento lineare (a) e di un andamento non lineare (b).
Lezione 24
Partitore
resistivo di tensione
Molte volte nella pratica si ha la necessità di derivare da
un generatore di f.e.m. una tensione minore di quella prodotta per applicarla
ad un carico Ru. Un metodo utilizzabile è quello del partitore di tensione che
si compone di due resistenze in serie, e di una presa di tensione Vu.

Fig. 24.1
Nella rappresentazione di figura 24.1 si vede come sia
possibile ricavare mediante il collegamento in serie di due resistenze una
tensione inferiore a quella generata da E1, difatti la tensione Vu ai capi di
R2 la si può calcolare mediante la legge di Ohm nel seguente modo.
E1 R2
Vu = R2*I = R2 *
--------- = E1 * --------- [V]
R1 + R2 R1 + R2
Come si vede dalla formula finale, il valore della tensione
Vu è proporzionale al rapporto tra la resistenza interessata da tale tensione,
fratto la somma della resistenze in serie. Attenzione applicando un circuito o
una rete tra i morsetti A e B, il valore complessivo di R2 sicuramente
diminuisce, e quindi diminuisce anche la Vu, da cui si deduce che il partitore
di tensione và dimensionato in condizioni di normale funzionamento.
In base a quello che si è esposto, si può scrivere una
formula inversa che ci permetta di calcolare il valore delle due resistenze
conoscendo il valore delle due tensioni (E1 e Vu).
R2
Vu
--------- = ----
R1 + R2
E1
Si impone ora un valore a R2 e si ricava R1
R1 = (R2 * (E1 /
Vu)) - R2 [W]
Lezione 25
Partitore
resistivo di corrente
Anche per quanto riguarda le correnti esiste la necessità
di ridurre la corrente in un utilizzatore Ru, per fare ciò occorre aggiungere
in parallelo ad Ru una resistenza che denominiamo Rs.

Fig. 25.1
In figura 25.1 è rappresentato un classico partitore di
corrente composto dalla resistenza Ru (carico), e da Rs (Shunt). Anche in
questo caso la dimostrazione è semplice difatti se si applica la legge di Ohm
si ricava che
Rs * Ru
--------- * I
Req *
I Rs + Ru
Iu = --------- = --------------- =
Ru Ru
Rs * Ru 1 Rs
= I * --------- * ---- = I * --------- [A]
Rs + Ru Ru
Rs + Ru
Dalla formula finale si nota che la corrente circolante in
Ru e direttamente proporzionale col valore della resistenza non interessata da
tale corrente, e inversamente proporzionale alla somma delle resistenze che
compongono il parallelo.
Anche in questo caso l' aggiunta di resistenze (sia in
serie che in parallelo) altera il funzionamento de circuito, quindi il
dimensionamento và effettuato tenendo conto del collegamento finale.
Esercizi
1 ) Un carico (Ru) presenta
una resistenza di 45 W, lo si vuole alimentare alla tensione di 30V. Sapendo che
il generatore E1 fornisce 60 V, determinare il valore di R1 ed R2 secondo lo
schema di figura.

2 ) Sapendo che il generatore E1 del circuito di figura
fornisce una tensione di 100V, che R1 ed R2 sono da 100 W, e
che la lampadina L1 ha una resistenza di 220 W, determinare la tensione
ai capi della lampada.

3 ) Sapendo che R1 del circuito sottostante vale 4 W ed Ru
vale 6 W, calcolare il valore della corrente nella sola Ru quando I
vale 5 A.

4 ) Dimensionare i valori di R1, R2, e R3 affinché
alimentando il tutto con una corrente I1 di 5A si abbia su R3 una tensione di
15V, e in R2 una corrente di 2A.

Lezione 26
Conversione
triangolo stella
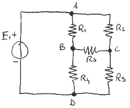
Non sempre la rete elettrica da semplificare è composta da
sole resistenze in serie e parallelo. Molte volte (specialmente in alcuni strumenti
di misura) si fa uso di un particolare collegamento che è stato rappresentato
in fig. 26.1.

Fig. 26.1
La resistenza R3 posta tra i punti B e C, rende la rete
lievemente complessa. Difatti se si volessero calcolare le correnti nei vari
rami, e le relative tensioni, si dovrebbe applicare il metodo di Kirchhoff che
risulta alquanto lungo ed impegnativo.
Per semplificare le operazioni di calcolo, esistono delle opportune conversioni
da fare per rendere il circuito più semplice. Analizzando la figura 26.2 si
nota come le resistenze R1, R2 ed R3 sono collegate tra loro nella rete di fig.
26.1.

Fig. 26.2
Le tre resistenze sono poste in modo tale da rappresentare
un triangolo, (da qui il nome di collegamento a triangolo). Come già accennato,
in elettrotecnica esiste una regola che ci permette di sostituire alcuni
elementi di una rete purché ne vengano inseriti altri che non alterino il
funzionamento della rete stessa (vedi come esempio i generatori equivalenti di
Thevenin e Norton). Nel nostro caso bisogna sostituire al triangolo R1, R2, R3
altre resistenze collegate in modo diverso ma di valore tale da risultare del
tutto equivalenti alle prime. Il collegamento idoneo allo scopo è una stella di
resistenze, che si presenta nella forma disegnata in fig. 26.3, e va a
sostituire tra i punti A, B, e C il triangolo precedente.

Fig. 26.3
Con questa sostituzione si ottiene un nuovo circuito
rappresentato in figura 26.4

Fig. 26.4
Come si vede ora la rete ha assunto un aspetto più chiaro e
facilmente semplificabile.
Ovviamente il valore delle nuove resistenze è cambiato, mentre resta invariato
il valore di R4 ed R5. Per determinare il nuovo valore, si applica la seguente
regola:
R1 * R2
R1-2 =
-------------- [W]
R1 + R2 + R3
R2 * R3
R2-3 =
-------------- [W]
R1 + R2 + R3
R3 * R1
R3-1 =
-------------- [W]
R1 + R2 + R3
Come regola generale è bene ricordare che quando si
effettua una conversione triangolo stella, i nuovi valori ottenuti sono
inferiori ai valori precedenti, (di fatto si passa da un sistema che aveva una
sola resistenza tra due punti, ad un sistema che ne vede due in un collegamento
tipo serie).
Lezione 27
Conversione
stella triangolo
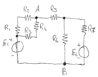
Facendo riferimento alla rete precedente (figura 26.1), si
nota che il circuito è composto da più di un triangolo, e bensì da due
triangoli (R1, R2, e R3; R4, R3, e R5), oppure due stelle (R1, R3, e R4; R2,
R3, e R5). Per la sua semplificazione non è obbligatorio convertire un
triangolo in una stella come indicato nella lezione 26, ma se il circuito lo
permette (come in questo caso) si può effettuare una conversione stella
triangolo. Come unica regola fissa bisogna ricordare sempre che la rete
equivalente a quella sostituita va sempre inserita tra i punti da dove è stata
tolta la prima; che nessuno resti scollegato, che alcuni risultino in corto
circuito.
Facendo riferimento alla stella R2, R3, R5 di figura 26.1, il triangolo
equivalente avrà il seguente valore:
R2 * R3
R2-3 = R2 + R3 +
--------- [W]
R5
R3 * R5
R3-5 = R3 + R5 +
--------- [W]
R2
R5 * R2
R5-2 = R5 + R2 +
--------- [W]
R3
In figura 27.1 è rappresentato il nuovo circuito ottenuto
dopo la conversione stella triangolo.

Fig. 27.1
Lezione 28
Potenza ed
energia - introduzione
È noto che ogni azione, lavoro o movimento richiede sempre
una certa quantità di energia, la quale può essere più volte trasformata
(energia meccanica, elettrica, termica, ecc...). L' energia elettrica ad
esempio prima di essere tale subisce alcune trasformazioni, difatti per la sua
produzione nelle centrali a combustione si passa dall' energia termica a quella
meccanica e poi in elettrica. Ogni trasformazione di energia richiede sempre
una certa quantità di tempo, non è possibile ottenere una trasformazione di
energia in un tempo nullo.
La quantità di energia (DW, leggi deltaW) che si trasforma in un determinato
tempo (Dt) si ricava dalla relazione
DW = P * Dt [J]
La P rappresenta la potenza, che indica la quantità di
energia che si trasforma nell' unità di tempo, e che si rappresenta nel
seguente modo.
DW
P = ---- [W]
Dt
Se però il regime di funzionamento non è stazionario, la
relazione della potenza da il valore medio della stessa, ma se il valore di
energia è estremamente variabile, allora si dovranno considerare le
trasformazioni in termini infinitesimi, per cui la relazione diventa
dw = p * dt [j]
(le grandezze in minuscolo indicano il relativo valore
istantaneo cioè il valore del solo istante di misura). Se si vuole allora
conoscere il valore dell' energia nel lasso di tempo t2 - t1, si devono sommare
(integrare) tutti i valori istantanei di quell'intervallo di tempo.
/\t2
|
W = W2 - W1
= |
p * dt [J]
|
\/t1
Ovviamente energia e potenza sono grandezze misurabili, l'
energia si misura in Joule (simbolo J) che corrisponde anche a 0,239 * 10E-3
kilocalorie (kcal), mentre la potenza si misura in Watt (sibolo W, da non
confondere con lo stesso simbolo che rappresenta l' energia), esso rappresenta
la quantità di energia unitaria che si trasforma nell' unità di tempo
1 J
1 W = -----
1 S
Nella pratica la misura dell' energia elettrica si effettua
con un multiplo dell' unità fondamentale, questo multiplo è il kilowattora il
quale corrisponde a mille watt trasformati in 3600 secondi
1 kWh = 3600000
J
Lezione 29
Potenza
elettrica
Anche nei circuiti elettrici la circolazione di corrente
avviene con un certo dispendio di energia, difatti se si considera una carica
che si trova sul punto A di un circuito elettrico avente potenziale VA,
possiede un energia potenziale rispetto ad un punto dello stesso circuito B
avente tensione inferiore VB pari a
DW = Q(VA - VB)
= QVAB [J]
Se si considera anche che proprio per la differenza di
potenziale tra i punti A e B, le cariche si spostano da A verso B dando luogo
ad una corrente elettrica I = DQ/Dt e quindi DQ = I*Dt, possiamo allora
sostituire semplicemente alcuni termini ed ottenere la relazione
DW = DQV = V * I * Dt [J]
Abbiamo così ottenuto che l' energia in un circuito
elettrico è data dalla tensione ai capi del circuito per la corrente che vi
circola nel tempo (Dt). Si deduce anche che la potenza elettrica risulta uguale
a
P = V * I [W]
Lezione 30
Legge di
Joule
Quando un corpo elettrico viene attraversato da corrente
elettrica, si produce un riscaldamento del corpo stesso. Questo perchè le
cariche in movimento che danno luogo alla corrente urtano contro la materia
producendo così calore. Lo stesso fenomeno era gia stato considerato quando si
è parlato della resistenza elettrica.
L' energia che produce riscaldamento all' interno del corpo è data dalla
relazione
DW = R * I² * Dt [J]
La legge di Joule è semplicemente dimostrabile applicando
la nota legge di Ohm, difatti essendo note sia la resistenza R e la corrente I,
si ricava facilmente la tensione V ai capi del corpo
V = R * I
di conseguenza sostituendo il tutto nella legge di Joule si
ottiene
DW = V * I * Dt [J]
È evidente che le due relazioni sono equivalenti. Siccome
compare sempre il termine Dt nelle due relazioni, possiamo anche scrivere
P = R * I² [W]
Inoltre anche la corrente elettrica si può esprimere come
rapporto tra tensione e resistenza I = V/R, ne consegue che un ulteriore
formula della potenza è la relazione
V²
P = ----
R
Come si è visto il riscaldamento di un corpo è quadratico
rispetto alla corrente o alla tensione, esso è dannoso in quanto non è voluto
(a meno che non si intenda produrre riscaldamento), l' energia trasformatasi in
calore per effetto Joule non è più disponibile per altri scopi, essa (essendo
persa) viene classificata come energia dispersa.
1 ) Determinare il valore di potenza dissipato da ciascuna
resistenza nel circuito di figura.

|
Tabella valori |
|
|
E1 = 50 V |
R1 = 80 W |
|
E2 = 60 V |
R2 = 90 W |
|
|
R3 = 30 W |
|
R4 = 20 W |
R5 = 70 W |
|
R6 = 30 W |
R7 = 40 W |
|
R8 = 28 W |
|
2 ) Determinare la potenza dissipata da ciascuna resistenza
nel circuito di figura, determinare inoltre il valore di energia erogato ogni
ora dal generatore E1.
|
Tabella valori |
|
|
E1 = 40 V |
R1 = 20 W |
|
E2 = 55 V |
R2 = 30 W |
|
|
R3 = 70 W |
|
R4 = 45 W |
R5 = 40 W |
|
R6 = 28 W |
R7 = 36 W |