banner


TRASMETTITORE HALLICRAFTERS HT-37


L'HT-37 è un trasmettitore per bande radioamatoriali costruito "come ai bei tempi andati" all'inizio degli anni '60.

Robustissimo, molte schermature, demoltiplica di sintonia meccanica. Il sistema di generazione della ssb è del tipo a sfasamento: ottima qualità di modulazione con regolazioni non critiche e sufficientemente stabili nel tempo.
Una coppia di 6146 per nulla "tirate" nello stadio finale consentono di trasmettere senza necessità di ventilazione forzata.

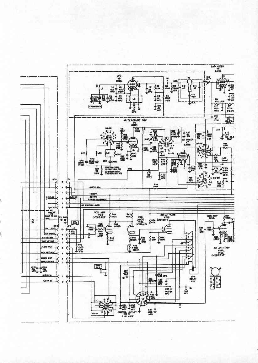
Dal manuale dell' HT-37:
aspetto esterno
schema a blocchi
schema A
schema B
schema C
ht37imm
ht37sb
ht37scha
ht37schb
ht37schc